Pada artikel kali ini akan dijelaskan mengenai Prinsip Dasar Rangkaian Sensor dengan menggunakan prinsip Pembagi Tegangan, silahkan baca prinsip rangkaian pembagi tegangan.
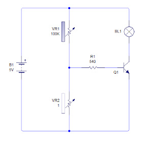
Perhatikan gambar dibawah ini:
Prinsip Dasar Rangkaian Sensor >> Rangkaian Sensor dengan Pembagi Tegangan
Pada rangkaian terdapat dua variabel resistor yang disusun seri satu sama lain dengan sumber tegangan membentuk loop tertutp artinya besar tegangan di salah satu variable resistor tersebut berbagi dengan besar tegangan pada variabel resistor yang lain, kalau kita tulis secara matematis:
V sumber = V variabel resistor1 + V variabel resistor2
*Untuk perhitungan yang lebih detil sikahkan baca prinsip dasar rangkaian pembagi tegangan
Nah, pembagian tegangan inilah yang kita manfaatkan untuk membuat rangkaian sensor dengan memanfaat tegangan pada variabel resistor yang kedua yang digunakan untuk menjadi masukan pada basis transistor (transistor sebagai saklar), karena ketika bais mendapatkan tegangan maka transistor dapat mengalirkan arus dari kolektor ke emitor. pada kaki emitor iniah yang akan kita psang dengan beban yang akan dikendalikan seperti lampu, relay, atau bahkan untuk masukan ke kontroler seperti PLC atau juga mikrokontroler.
Berikut kondisi ketika Tahanan pada variabel resistor1 lebih besar dari tahanan pada variabel resistor2
Prinsip Dasar Rangkaian Sensor >> Rangkaian Sensor dengan Pembagi Tegangan
Berikut kondisi ketika Tahanan pada variabel resistor2 lebih besar dari tahanan pada variabel resistor1
Prinsip Dasar Rangkaian Sensor >> Rangkaian Sensor dengan Pembagi Tegangan
Penting:
Salah satu varriabel resistor kita ganti dengan sensor misalnya LDR untuk membuat sensor cahaya, Thermistor untuk membuat sensor suhu, dan lain sebagainya
Silahkan berkreasi dan semoga bermanfaat.


untuk q1 pakai tr type apa ya klu boleh tahu
BalasHapus